HA(QA)、HP(QP)系列隔離開關主要用于有高短路電流的配電 電路和電動機電路中,作為手動不頻繁操作的開關、隔離開關和應急開關,并作電路保護之用。開關可直接開閉電動機等高電感負載,特別適用于抽屜式開關柜的成套裝置中。
本系列隔離開關由刀型靜觸頭、滾動動觸頭及滅弧裝置組成的接觸系統(tǒng) 均組裝在由耐弧工程塑料制成的封閉底座內,能達到零飛弧。操作機構由具有 彈簧儲能的連桿傳動機構構成,靠彈簧力完成開關的分、合,使開關動作無關 人力操作。手柄由操作手柄和傳動軸等構成,屬旋轉操作方式。當手柄旋轉操 作時,使操作機構彈簧儲能,靠儲能的彈簧力釋放帶動動觸頭與靜觸頭形成 合、分兩種狀態(tài),從而達到開關分、合主電路的目的。
本開關的上部可裝一個或二個輔助開關,每個輔助開關有一對電器上分 開的常開觸頭和常閉觸頭,能使控制回路明確指示開關主電路的通斷情況。
Series HA(QA)、 HP(QP) switch-disconnector are mainly applied in the distribution circuits and motor circuits with high short-circuit currents as the power switches. As the switch handle is in rotary operation, they are especially suitable for installation and application in drawer type switch cabinets. Technical performances confirm to standards IEC60947.3 and GB14048.3.This series switches are of closed structure design. The contact system is composed of static knife contacts, moving rolling contacts and arc quenching sets that are all fitted in the sealed case made of arc resistant engineering plastic and zero arc flash out is achieved. The switching mach-anism is of reliable spring energy stored independent manual operation style.On the upper part of the. switch utmost two auxiliary switches may be quipped in, each having a set of electrical separated normal open and normal closed contacts.
產品詳情
主要技術指標

型號及其含義

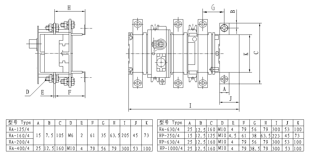
外形及安裝尺寸









郵箱:997859376@qq.com 曹先生
地址:浙江省寧波市鄞州區(qū)金源路 568號綜合樓二樓東半部分